Die Euro 2 Aktion E12 und E28 IG für den Eta   |   Online-ETK   |   Online-ETK (modern)
Bild des Tages
Avatar

OT: E21 Tankanzeige (Allgemein)

Andreas Schneider, 07366 Rosenthal, Tuesday, 06.04.2021, 21:17 (vor 1812 Tagen) @ Joti

Hallo,

ich habe hier ein Thema, welches nicht zum E28 passt, aber hier gibt es sehr erfahrene Elektroniker:

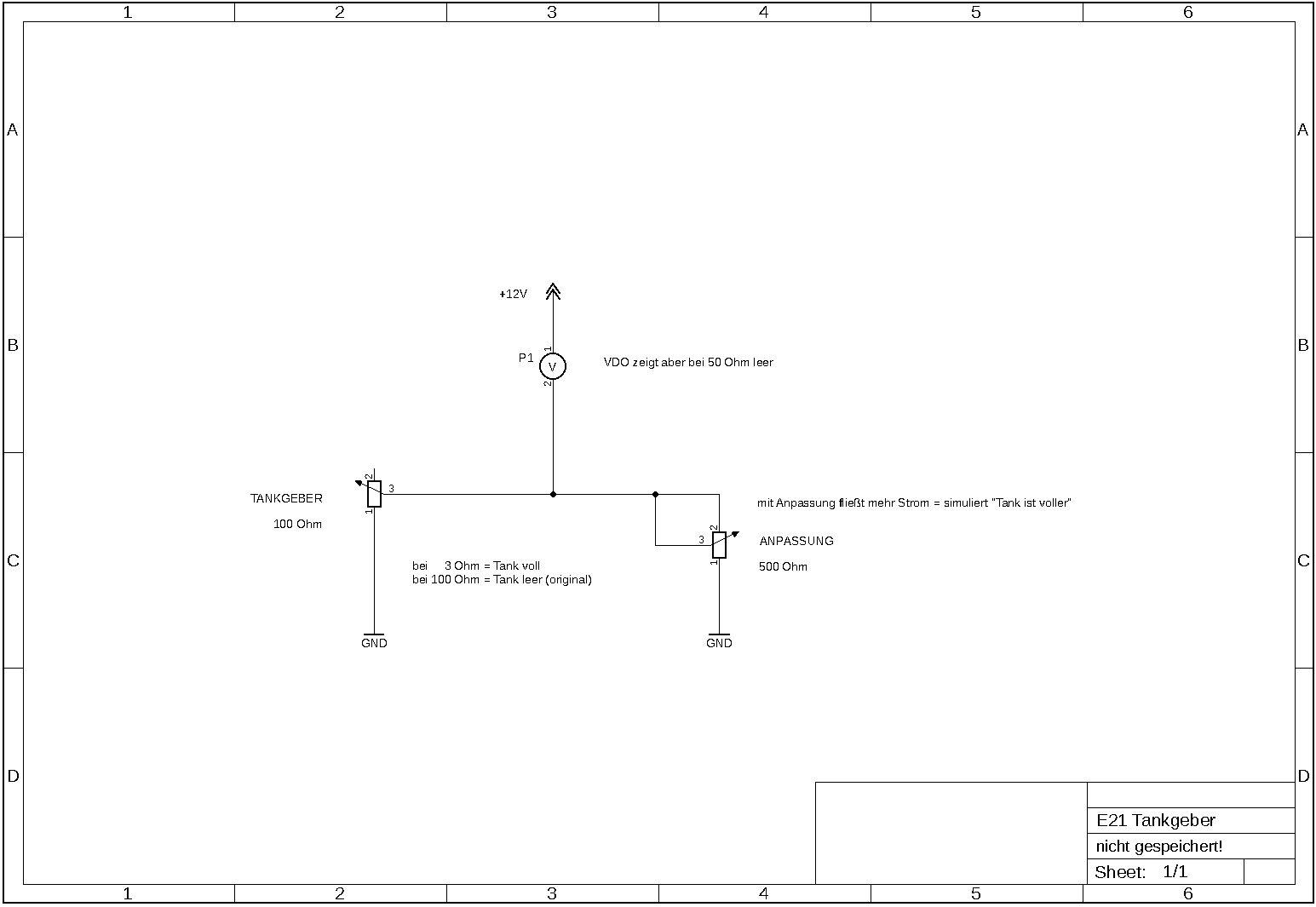
Folgendes Problem: Mein E21 hat ein Kombi mit Zubehöranzeigen von VDO (100mm Tacho und Drehzahlmesser, 52mm Temperatur und Tank).
Die Tankanzeige zeigt nicht korrekt an, da ich den Originalgeber benutze und das soll auch so bleiben.
Bei vollem Tank zeigt die Anzeige auch voll an, jedoch zeigt die Anzeige nach ca. 350 km leer an. Ich fahre dann weiter bis die Reservelampe angeht.
Ich weiß das da die Widerstandswerte zwischen Geber und Anzeige nicht passen.

da würde ich versuchen das mit einem zusätzlichen Poti anzupassen.
[image]

Also fahren, bis das VDO leer anzeigt. Dann mit dem Poti langsam auf den echten Füllstand anpassen.

Gruß
Andi

--
* Cockpit Reparaturen *
* Anfragen nur zu Reparaturen von Cockpit - für alles andere ist das Forum da *
* Ich verteile keine Schaltpläne per Mail - benutze Google! *


gesamter Thread:

 RSS-Feed dieser Diskussion

powered by my little forum